목차
TFT- LCD 연결
오른쪽 한 칸을 비우고 보드와 LCD를 연결


Timing Diagram

- 각 신호들이 시간 별로 처리되는 과정을 그림으로 나타냄
- Low에서 High로 올라가는 구간을 Rising Edge
- High에서 Low로 떨어지는 구간을 Falling Edge
- D/C ̅ 처럼 교차 형태를 취하고 있으면, High / Low 둘 중 하나의 값을 가질 수 있다는 것을 의미
Timing Diagram: Write / Read Cycle

- •(CS) ̅: Chip Select (Chip Enable)
- High 에서 Low로 Falling Edge 일 때 LCD Chip 을 사용
- •D/C ̅: Data / Command (핀맵에서 RS)
- –LCD는 Data 와 명령어 레지스터를 함께 사용
- –High 로 두고 Data를 전송, Low 로 두고 Command를 전송
- •(WR) ̅, (RD) ̅ : Write / Read
- High 에서 Low로 Falling Edge 일 때, Data를 display에 Write / Read 한다
- 해당 Symbol의 Min Time 내에 Falling / Rising 을 해야한다.

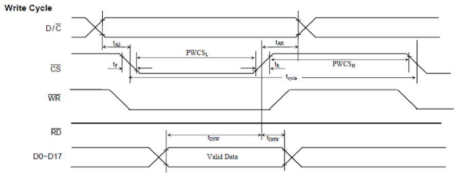
Timing Diagram: Write Cycle

- COMMAND
- D/C ̅를 Low, (CS) ̅를 Low, (WR) ̅를 Low로 두고 Command를 전송
- (CS) ̅를 High, (WR) ̅를 High로 다시 돌려놓기
- DATA
- D/C ̅를 High, (CS) ̅를 Low, (WR) ̅를 Low로 두고 Data를 Display에 전송
- (CS) ̅를 High, (WR) ̅를 High로 다시 돌려놓기
Timing Diagram: Read Cycle

- D/C ̅가 high, (CS) ̅가 Low, (RD) ̅ 신호가 Low 일 때 D0~D17의 Display를 읽는다
ADC(Analog to Digital Converter)

- 아날로그 신호를 디지털로 변환하는 것
- 아날로그 신호가 들어오면 이를 표본화, 양자화를 거쳐 부호화 한다.
- 표본화: 일정한 간격으로 아날로그 신호의 값을 추출
- 양자화: 추출한 표본 샘플 신호의 레벨을 단계를 나누어 나타내는 과정
- 부호화: 양자화로 나눈 레벨에 속한 값을 이진수로 변환
조도센서
- 주변의 밝기를 측정하는 센서
- 빛의 양이 많아질수록 전도율이 높아져 저항이 낮아짐
- 회로 구성

작성코드및 보고서: https://github.com/yunzae/Embeded-System/tree/main/Embeded/8주차
'Project > 나만의 주점(STM32,Arduino,android)' 카테고리의 다른 글
| STM32- Timer와 PWM (0) | 2022.12.16 |
|---|---|
| STM32- DMA (0) | 2022.12.16 |
| STM32-블루투스 (1) | 2022.12.16 |
| STM32- Interrupt 방싱을 활용한 GPIO 제어 및 UART 통신 (0) | 2022.12.16 |
| STM32- Clock tree (0) | 2022.12.16 |
TFT- LCD 연결
오른쪽 한 칸을 비우고 보드와 LCD를 연결


Timing Diagram

- 각 신호들이 시간 별로 처리되는 과정을 그림으로 나타냄
- Low에서 High로 올라가는 구간을 Rising Edge
- High에서 Low로 떨어지는 구간을 Falling Edge
- D/C ̅ 처럼 교차 형태를 취하고 있으면, High / Low 둘 중 하나의 값을 가질 수 있다는 것을 의미
Timing Diagram: Write / Read Cycle

- •(CS) ̅: Chip Select (Chip Enable)
- High 에서 Low로 Falling Edge 일 때 LCD Chip 을 사용
- •D/C ̅: Data / Command (핀맵에서 RS)
- –LCD는 Data 와 명령어 레지스터를 함께 사용
- –High 로 두고 Data를 전송, Low 로 두고 Command를 전송
- •(WR) ̅, (RD) ̅ : Write / Read
- High 에서 Low로 Falling Edge 일 때, Data를 display에 Write / Read 한다
- 해당 Symbol의 Min Time 내에 Falling / Rising 을 해야한다.

Timing Diagram: Write Cycle

- COMMAND
- D/C ̅를 Low, (CS) ̅를 Low, (WR) ̅를 Low로 두고 Command를 전송
- (CS) ̅를 High, (WR) ̅를 High로 다시 돌려놓기
- DATA
- D/C ̅를 High, (CS) ̅를 Low, (WR) ̅를 Low로 두고 Data를 Display에 전송
- (CS) ̅를 High, (WR) ̅를 High로 다시 돌려놓기
Timing Diagram: Read Cycle

- D/C ̅가 high, (CS) ̅가 Low, (RD) ̅ 신호가 Low 일 때 D0~D17의 Display를 읽는다
ADC(Analog to Digital Converter)

- 아날로그 신호를 디지털로 변환하는 것
- 아날로그 신호가 들어오면 이를 표본화, 양자화를 거쳐 부호화 한다.
- 표본화: 일정한 간격으로 아날로그 신호의 값을 추출
- 양자화: 추출한 표본 샘플 신호의 레벨을 단계를 나누어 나타내는 과정
- 부호화: 양자화로 나눈 레벨에 속한 값을 이진수로 변환
조도센서
- 주변의 밝기를 측정하는 센서
- 빛의 양이 많아질수록 전도율이 높아져 저항이 낮아짐
- 회로 구성

작성코드및 보고서: https://github.com/yunzae/Embeded-System/tree/main/Embeded/8주차
'Project > 나만의 주점(STM32,Arduino,android)' 카테고리의 다른 글
| STM32- Timer와 PWM (0) | 2022.12.16 |
|---|---|
| STM32- DMA (0) | 2022.12.16 |
| STM32-블루투스 (1) | 2022.12.16 |
| STM32- Interrupt 방싱을 활용한 GPIO 제어 및 UART 통신 (0) | 2022.12.16 |
| STM32- Clock tree (0) | 2022.12.16 |